产品分类

联系我们

lianxi.jpg

宁波德业液压有限公司

服务热线:0574-86156599

工厂地址:浙江宁波市北仑区小港新棉中泥场路68号南首厂房

电话:0574-86156599

传真:0574-86156592

网址:www.china-deye.com

邮箱:zgfmail@126.com


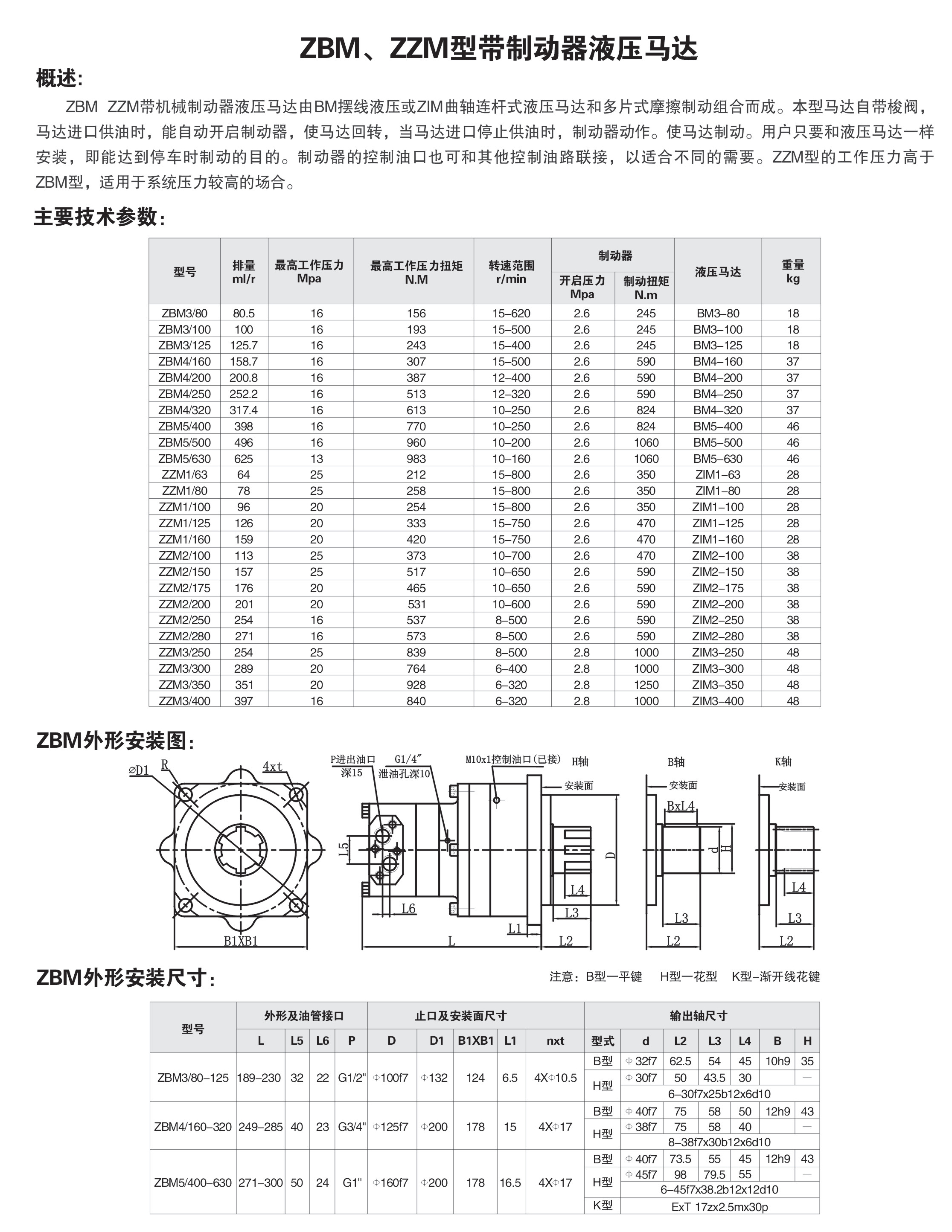
制动液压马达

您的当前位置:主页 > 产品中心 > 液压马达 > 制动液压马达 >

制动液压马达ZBM3

发布日期:2017-03-23 10:13 来源:未知 点击:

相关标签:液压马达

上一篇:没有了
下一篇:制动马达ZBM4系列
收缩
  • 电话咨询

  • 13777228912